Product Summary
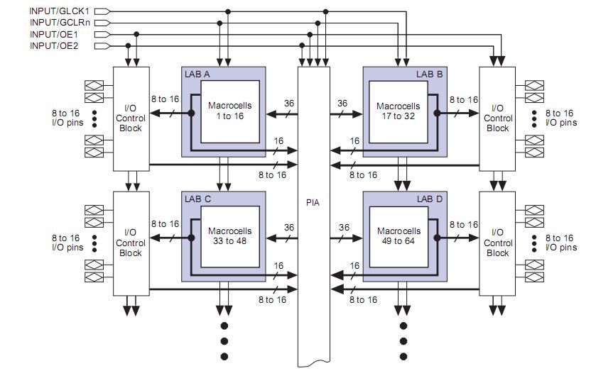
The EPM7128SQC100-15N is a high-density, high-performance PLD. It is based on Altera’s second-generation MAX architecture.
Parametrics
Absolute maximum ratings: (1)Supply voltage With respect to ground:–2.0V to 7.0V; (2)DC input voltage:–2.0V to 7.0V; (3)DC output current, per pin:–25mA to 25 mA; (4)Storage temperature:–65℃ to 150℃; (5)Ambient temperature:–65℃ to 135℃; (6)Junction temperature:150℃ or 135℃.
Features
Features: (1)Open-drain output option in MAX 7000S devices; (2)Programmable macrocell flipflops with individual clear, preset,clock, and clock enable controls; (3)Programmable power-saving mode for a reduction of over 50% in each macrocell; (4)Configurable expander product-term distribution, allowing up to 32 product terms per macrocell; (5)Includes 5.0-V MAX 7000 devices and 5.0-V ISP-based MAX 7000S devices; (6)Built-in JTAG boundary-scan test (BST) circuitry in MAX 7000S devices with 128 or more macrocells; (7)Complete EPLD family with logic densities ranging from 600 to 5,000 usable gates (see Tables 1 and 2); (8)5-ns pin-to-pin logic delays with up to 175.4-MHz counter frequencies (including interconnect); (9)PCI-compliant devices available.
Diagrams

| Image | Part No | Mfg | Description | ![]()  | 
                            Pricing (USD)  | 
                            Quantity | ||||||
|---|---|---|---|---|---|---|---|---|---|---|---|---|
![]()  | 
                            ![]() EPM7128SQC100-15N  | 
                            ![]()  | 
                            ![]() IC MAX 7000 CPLD 128 100-PQFP  | 
                            ![]() Data Sheet  | 
                            ![]() 
  | 
                            
                            	 | 
                      ||||||
| Image | Part No | Mfg | Description | ![]()  | 
                            Pricing (USD)  | 
                            Quantity | ||||||
![]()  | 
                            ![]() EPM7032AE  | 
                            ![]() Other  | 
                            ![]()  | 
                            ![]() Data Sheet  | 
                            ![]() Negotiable  | 
                            
                            	 | 
                      ||||||
![]()  | 
                            ![]() EPM7032AELC44-10  | 
                            ![]()  | 
                            ![]() IC MAX 7000 CPLD 32 44-PLCC  | 
                            ![]() Data Sheet  | 
                            ![]() 
  | 
                            
                            	 | 
                      ||||||
![]()  | 
                            ![]() EPM7032AELC44-10N  | 
                            ![]()  | 
                            ![]() IC MAX 7000 CPLD 32 44-PLCC  | 
                            ![]() Data Sheet  | 
                            ![]() 
  | 
                            
                            	 | 
                      ||||||
![]()  | 
                            ![]() EPM7032AELC44-4  | 
                            ![]()  | 
                            ![]() IC MAX 7000 CPLD 32 44-PLCC  | 
                            ![]() Data Sheet  | 
                            ![]() 
  | 
                            
                            	 | 
                      ||||||
![]()  | 
                            ![]() EPM7032AELC44-4N  | 
                            ![]()  | 
                            ![]() IC MAX 7000 CPLD 32 44-PLCC  | 
                            ![]() Data Sheet  | 
                            ![]() 
  | 
                            
                            	 | 
                      ||||||
![]()  | 
                            ![]() EPM7032AELC44-7  | 
                            ![]()  | 
                            ![]() IC MAX 7000 CPLD 32 44-PLCC  | 
                            ![]() Data Sheet  | 
                            ![]() 
  | 
                            
                            	 | 
                      ||||||
 (China (Mainland)) 
                         
                        
                                    









